2025年秋江苏开放大学电工电子技术及应用△060240形成性考核作业1答案
文档介绍
注意:因为学习平台题目是随机,选择题选项也是随机,一定注意答案对应的选项,同学们在本页按“Ctrl+F”快捷搜索题目中“关键字”就可以快速定位题目!!!
同专业其他作业点击右侧标签查看
试题列表
单选题
题型:单选题客观题分值2分难度:一般得分:2
1
当直流电路中电流的参考方向与电流的真实方向相反时,该电流()
A
一定为正值
B
一定为负值
C
不能肯定是正值
D
不能肯定是负值
学生答案:B
老师点评:
题型:单选题客观题分值2分难度:一般得分:2
2
换路定则指出:在电路发生换路瞬间(t=0+),下列物理量保持不变的是()。
A
电容电压和电感电流
B
电容电压和电感电压
C
电容电流和电感电流
D
电容电流和电感电压
学生答案:A
老师点评:
题型:单选题客观题分值2分难度:一般得分:2
3
当电阻R上的u、i参考方向为非关联时,欧姆定律的表达式应为()
A
u=R*|i|
B
u=-R*i
C
u=-R*|i|
D
u=R*i
学生答案:B
老师点评:
题型:单选题客观题分值2分难度:一般得分:2
4
RC电路的时间常数τ等于()。
A
C/R
B
R*C
C
R/C
D
1/(R*C)
学生答案:B
老师点评:
题型:单选题客观题分值2分难度:一般得分:2
5
某电阻元件的额定数据为“1kΩ、2.5W”。正常使用时允许通过的最大电流为()mA 。
A
2.5
B
50
C
250
D
5
学生答案:B
老师点评:
题型:单选题客观题分值2分难度:一般得分:2
6
已知空间有a、b两点,电压Uab=10V,a点电位为Va=4V,则b点电位Vb为()
A
-14V
B
-6V
C
14V
D
6V
学生答案:B
老师点评:
题型:单选题客观题分值2分难度:一般得分:2
7
一阶电路的暂态过程主要由电路的()决定。
A
电容或电感的初始储能
B
电阻值
C
时间常数τ
D
电源电压大小
学生答案:C
老师点评:
题型:单选题客观题分值2分难度:一般得分:2
8
RL电路中,若电感L增大,则暂态过程的时间常数τ将()。
A
增大
B
无法判断
C
减小
D
不变
学生答案:A
老师点评:
题型:单选题客观题分值2分难度:一般得分:2
9
两个电阻串联,R1:R2=1:2,总电压为60V,则U1的大小为()V。
A
40
B
20
C
30
D
10
学生答案:B
老师点评:
题型:单选题客观题分值2分难度:一般得分:2
10
一电阻R上u、i参考方向不一致,令u=-10V,消耗功率为0.5W,则电阻R为()Ω。
A
-200
B
-20
C
200
D
20
学生答案:C
老师点评:
判断题
题型:判断题客观题分值2分难度:一般得分:2
1
一阶电路的全响应可表示为零输入响应与零状态响应的叠加。
A正确
B错误
学生答案:A
老师点评:
题型:判断题客观题分值2分难度:一般得分:2
2
电路中任意两个结点之间连接的电路统称为支路。
A正确
B错误
学生答案:A
老师点评:
题型:判断题客观题分值2分难度:一般得分:2
3
网孔都是回路,而回路则不一定是网孔。
A正确
B错误
学生答案:A
老师点评:
题型:判断题客观题分值2分难度:一般得分:2
4
零输入响应是指电路初始储能为零,仅由电源激励引起的响应。
A正确
B错误
学生答案:B
老师点评:
题型:判断题客观题分值2分难度:一般得分:2
5
电流由元件的低电位端流向高电位端的参考方向称为关联方向。
A正确
B错误
学生答案:B
老师点评:
题型:判断题客观题分值2分难度:一般得分:2
6
电功率大的用电器,电功也一定大。
A正确
B错误
学生答案:B
老师点评:
题型:判断题客观题分值2分难度:一般得分:2
7
电路分析中一个电流得负值,说明它小于零。
A正确
B错误
学生答案:B
老师点评:
题型:判断题客观题分值2分难度:一般得分:2
8
换路定则指出:电容电流和电感电压在换路瞬间(t=0+)不能突变。
A正确
B错误
学生答案:B
老师点评:
题型:判断题客观题分值2分难度:一般得分:2
9
实际电感线圈在任何情况下的电路模型都可以用电感元件来抽象表征。
A正确
B错误
学生答案:B
老师点评:
题型:判断题客观题分值2分难度:一般得分:2
10
一阶电路的时间常数τ越大,暂态过程持续的时间越长。
A正确
B错误
学生答案:A
老师点评:
多选题
题型:多选题客观题分值4分难度:中等得分:4
1
关于欧姆定律U=I*R,下列说法正确的有()
A
适用于所有含源电路(包括非线性元件)
B
表明通过电阻的电流与电压成正比
C
当电压一定时,电流与电阻成反比
D
仅适用于线性电阻电路
学生答案:B;C;D
老师点评:
题型:多选题客观题分值4分难度:中等得分:4
2
基尔霍夫定律的适用范围及内容包括()
A
即使电路中存在受控源,基尔霍夫定律仍然成立
B
基尔霍夫电流定律(KCL)适用于任意节点,流入电流之和等于流出电流之和
C
基尔霍夫电压定律(KVL)适用于任意闭合回路,各元件电压代数和为零
D
仅适用于直流电路,不适用于交流电路
学生答案:A;B;C
老师点评:
题型:多选题客观题分值4分难度:中等得分:4
3
直流电路中,电阻串联的特点有()
A
各电阻两端电压与电阻值成正比
B
总电压等于各电阻电压之和
C
各电阻电流相等
D
总电阻等于各电阻之和
学生答案:A;B;C;D
老师点评:
题型:多选题客观题分值4分难度:中等得分:4
4
三要素法求解暂态响应的“三要素”包括( )
A
时间常数τ
B
电源电动势E
C
初始值
D
稳态值
学生答案:A;C;D
老师点评:
题型:多选题客观题分值4分难度:中等得分:4
5
一阶电路零输入响应的特征有( )
A
时间常数τ决定衰减速度
B
稳态值(t→∞)为零
C
由初始储能引起(电源激励为零)
D
响应随时间按指数规律增长
学生答案:A;B;C
老师点评:
简答题
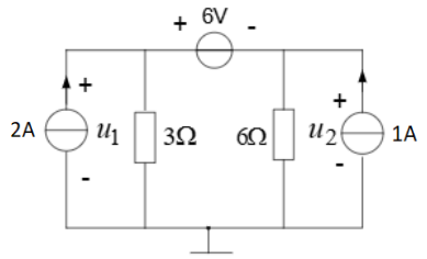
题型:简答题主观题分值20分难度:中等得分:20
1
使用叠加定理计算图示电路的电压u1和u2。(直接回答,不允许使用附件提交,文字部分不允许截图(可以手写拍照上传))
学生答案:(购买后获取答案)
题型:简答题主观题分值20分难度:中等得分:20
2
在图所示电路中,已知E = 20V,R =5KΩ,C = 100μF,设电容初始储能为零。 求:电压uc(t)。(直接回答,不允许使用附件提交,文字部分不允许截图(可以手写拍照上传))
学生答案:(购买后获取答案)
©软件著作权归作者所有。本站所有软件均来源于网络,仅供学习使用,请支持正版!
转载请注明出处: 形易网 » 2025年秋江苏开放大学电工电子技术及应用△060240形成性考核作业1答案

发表评论 取消回复