江苏开放大学可编程序控制系统设计师实训050100作业1
文档介绍
注意:因为学习平台题目是随机,选择题选项也是随机,一定注意答案对应的选项,同学们在本页按“Ctrl+F”快捷搜索题目中“关键字”就可以快速定位题目!!!
同专业其他作业点击右侧标签查看
试题列表
单选题
题型:单选题客观题分值4分难度:中等得分:4
1FX1S系列最多可以有多少个点的PLC?
A128
B256
C1000
D30
正确答案:D
题型:单选题客观题分值4分难度:中等得分:4
2PLC电池电压降低至下限,应怎么处理:
A以上都不对
B及时更换电池
C拆下电池不管
D没关系
正确答案:B
题型:单选题客观题分值4分难度:中等得分:4
3PLC外部接点坏了以后,换到另外一个好的点上后,然后要用软件中的哪个菜单进行操作
A编程
B指令寻找
C替换
D寻找
正确答案:C
题型:单选题客观题分值4分难度:简单得分:4
4
在梯形图中,能流的流动方向及层次改变只能( )。
A
从左到右、先下后上
B
从右到左、先下后上
C
从左到右、先上后下
D
从右到左、先上后下
正确答案:C
题型:单选题客观题分值4分难度:中等得分:4
5FX2N系列最多能扩展到多少个点
A128
B30
C256
D1000
正确答案:C
题型:单选题客观题分值4分难度:中等得分:4
6三菱FX型PLC一个晶体管输出点输出电流是多少
A300 mA
B1A
C200 mA
D2A
正确答案:A
题型:单选题客观题分值4分难度:中等得分:4
7PLC的输出方式为晶体管型时,它适用于哪种负载。
A交流
B感性
C直流
D交直流
正确答案:C
题型:单选题客观题分值4分难度:中等得分:4
8三菱FX型PLC输出点中,继电器一个点最大的通过电流是多少
A200 mA
B2A
C1A
D300 mA
正确答案:B
题型:单选题客观题分值4分难度:中等得分:4
9三菱FX系列PLC普通输入点,输入响应时间大约是多少ms?
A15 ms
B10ms
C100 ms
D30 ms
正确答案:B
题型:单选题客观题分值4分难度:简单得分:4
10
S7-200系列PLC应用程序的扩展名为( )。
A
.awl
B
.mpw
C
.mwp
D
.alw
正确答案:C
题型:单选题客观题分值4分难度:中等得分:4
11FX1N系列PLC,晶体管输出类型的PLC主机,能输出脉冲频率是多少
A20K
B500K
C100K
D200K
正确答案:C
题型:单选题客观题分值4分难度:中等得分:4
12FX2N系列PLC,晶体管输出类型的PLC主机,能输出脉冲频率是多少
A20K
B200K
C100K
D500K
正确答案:A
题型:单选题客观题分值4分难度:中等得分:4
13工业中控制电压一般是多少伏
A220V
B24V
C110V
D36V
正确答案:B
题型:单选题客观题分值4分难度:中等得分:4
14三菱FX型PLC一个晶体管输出点输出电压是多少
ADC12V
BDC24V
CAC220V
DAC110V
正确答案:B
题型:单选题客观题分值4分难度:中等得分:4
15一般而言,FX系列PLC的AC输入电源电压范围是多少?
A24VAC-220VAC
B86-264VAC
CDC24V
D220-380VAC
正确答案:B
多选题
题型:多选题客观题分值5分难度:较难得分:5
1PLC输出点类型的有主要有哪些
AIC驱动电路
B晶体管
C继电器
D可控硅
正确答案:B;C;D
题型:多选题客观题分值5分难度:简单得分:5
2
下列属于PLC硬件系统组成的有( )。
A
I/O扩展接口
B
用户程序
C
输入输出接口
D
中央处理单元
正确答案:A;C;D
题型:多选题客观题分值5分难度:一般得分:5
3
下列选项中,属于PLC中CPU状态指示灯作用的有( )。
A
显示是否有信号输入
B
显示CPU的电源接通与否
C
显示CPU的运行情况
D
显示CPU的停止信息
正确答案:B;C;D
题型:多选题客观题分值5分难度:中等得分:5
4
下列特点中,属于PLC特点的有( )。
A
模块化结构
B
编程复杂,不易掌握
C
使用方便,易于维护
D
可靠性高,抗干扰能力强
正确答案:A;C;D
题型:多选题客观题分值5分难度:中等得分:5
5
表示PLC与PLC、PLC与计算机之间通讯能力的有( )。
A
数据交换
B
I/O点数
C
数据传送
D
数据运算
正确答案:A;C
题型:多选题客观题分值5分难度:较难得分:5
6PLC机的主要特点是
A环境要求低
B可靠性高
C编程方便
D与其它装置连接方便
E运算速度快
正确答案:A;B;C;D;E
简答题
题型:简答题主观题分值10分难度:中等得分:7.5
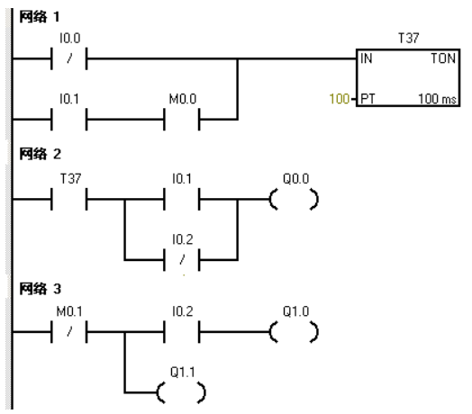
1
根据梯形图写出对应的语句表指令
正确答案:(购买后获取答案)
©软件著作权归作者所有。本站所有软件均来源于网络,仅供学习使用,请支持正版!
转载请注明出处: 形易网 » 江苏开放大学可编程序控制系统设计师实训050100作业1

发表评论 取消回复