江苏开放大学房屋建筑与装饰工程计量与计价060624形成性考核作业三
文档介绍
注意:因为学习平台题目是随机,选择题选项也是随机,一定注意答案对应的选项,同学们在本页按“Ctrl+F”快捷搜索题目中“关键字”就可以快速定位题目!!!
同专业其他作业点击右侧标签查看
试题列表
单选题
题型:单选题客观题分值2分难度:简单得分:2
1
水泥搅拌桩的清单工程量计算规则为( )。
A
按设计图示处理范围以面积计算
B
按设计图示尺寸以桩长计算
C
按设计图示桩体尺寸以体积计算
D
按设计桩截面面积乘以桩长以体积 计算
正确答案:C
题型:单选题客观题分值2分难度:简单得分:2
2
工程计量时以“m”、“m²”、“m³”、"kg"为单位的项目汇总的有效位数应保留小数点后( )位数字。
A
2
B
3
C
取整
D
1
正确答案:A
题型:单选题客观题分值2分难度:简单得分:2
3
砖基础与砖墙(身)划分应以设计室内地坪为界(有地下室的按地下室室内设计地坪为界),以下为基础,以上为墙(柱)身。基础与墙身使用不同材料,位于设计室内地坪( )以内时以不同材料为界,超过时,应以设计室内地坪为界。
A
±500 mm
B
±200 mm
C
±300 mm
D
±30 mm
正确答案:C
题型:单选题客观题分值2分难度:一般得分:2
4工程量清单中补充项目的编码由本规范的代码01与B和( )位阿拉伯数字组成,并应从01B001起顺序编制,
A9
B1
C10
D3
正确答案:D
多选题
题型:多选题客观题分值3分难度:简单得分:3
1墙长计算的规定是( )长度计算。
A外墙按中心线
B内墙按净长
C填充墙按实际长
D内墙按中心线
E山墙按外边长
正确答案:A;B;C
题型:多选题客观题分值3分难度:一般得分:3
2以下哪些是周转性材料?( )
A模板
B脚手架
C水泥
D活动支架
E钢筋
正确答案:A;B;D
题型:多选题客观题分值3分难度:一般得分:3
3
整体楼梯(包括直形楼梯、弧形楼梯)的水平投影面积包括( )。
A
墙
B
平台梁
C
休息平台
D
斜梁
E
楼梯的连接梁
正确答案:B;C;D;E
题型:多选题客观题分值3分难度:简单得分:3
4
以下( )应按项计费。
A
施工排水
B
临时设施
C
冬雨季施工增加
D
垂直运输
E
模板
正确答案:A;B;C;D
题型:多选题客观题分值3分难度:中等得分:3
5单位工程工程量的计算顺序为( )。
A按消耗量定额的分部分项顺序计算
B按工程量计算规范顺序计算
C根据专业图纸按由前向后,“先平面→再立面→再剖面,先基本图→再详图”的顺序计算
D按施工顺序计算
E按顺时针方向计算
正确答案:A;B;C;D
判断题
题型:判断题客观题分值2分难度:简单得分:2
1
现浇、预制混凝土构件内的预埋铁件,应另列预埋铁件制作、安装等清单项目。
A正确
B错误
正确答案:B
题型:判断题客观题分值2分难度:一般得分:2
2
保温隔热屋面清单工程量按设计图示尺寸以面积计算。扣除面积>0 . 3m²孔洞及占位面积。
A正确
B错误
正确答案:A
题型:判断题客观题分值2分难度:一般得分:2
3实心砖墙计算中,凸出墙面的砖垛并入墙体体积内计算。
A正确
B错误
正确答案:A
题型:判断题客观题分值2分难度:一般得分:2
4
规范中没有的措施项目清单可自行补充。
A正确
B错误
正确答案:A
题型:判断题客观题分值2分难度:简单得分:2
5
砖砌台阶及台阶挡墙应按砖砌台阶项目编码列项。
A正确
B错误
正确答案:B
题型:判断题客观题分值2分难度:简单得分:2
6项目特征的描述应按规范的要求结合工程实际情况进行编写。
A正确
B错误
正确答案:A
题型:判断题客观题分值2分难度:简单得分:2
7
项目特征中的桩截面、混凝土强度等级、桩类型等可直接用标准图代号或设计桩型进行描述。
A正确
B错误
正确答案:A
题型:判断题客观题分值2分难度:简单得分:2
8
长14m,宽4m的基础土方应列为基坑土方。
A正确
B错误
正确答案:A
题型:判断题客观题分值2分难度:简单得分:2
9
柱模板的清单工程量应按模板与现浇混凝土构件的接触面积计算。
A正确
B错误
正确答案:A
题型:判断题客观题分值2分难度:简单得分:2
10
伸入墙内的混凝土梁头、梁垫应单独计算工程量。
A正确
B错误
正确答案:B
题型:判断题客观题分值2分难度:一般得分:2
11箱式满堂基础的柱、梁、墙、板分别编码列项,底板可按满堂基础编码列项。
A正确
B错误
正确答案:A
简答题
题型:简答题主观题分值15分难度:一般得分:15
1
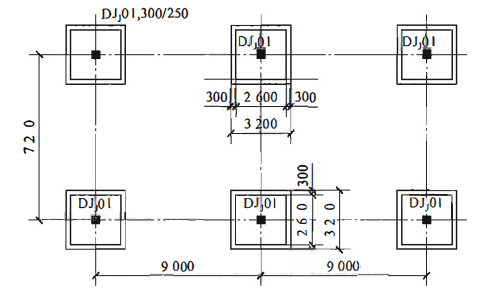
某工程基础平面图如图所示。室外设计地坪标高为-0.45m(预设标高),基础底面标高-2.45m;基础垫层厚100mm,每侧比基础底面宽100mm,工作面宽度为600mm。土为三类土,场内堆土,运距1km以内。框架柱(均为KZ1)截面尺寸为500mm×500mm。混凝土均为商品混凝土,垫层为C20,其他均为C30。请根据工程量计算标准计算相关清单项目的工程量。
学生答案:(购买后获取答案)
综合题
题型:综合题主观题分值40分难度:中等得分:40
1
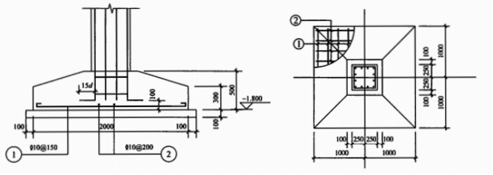
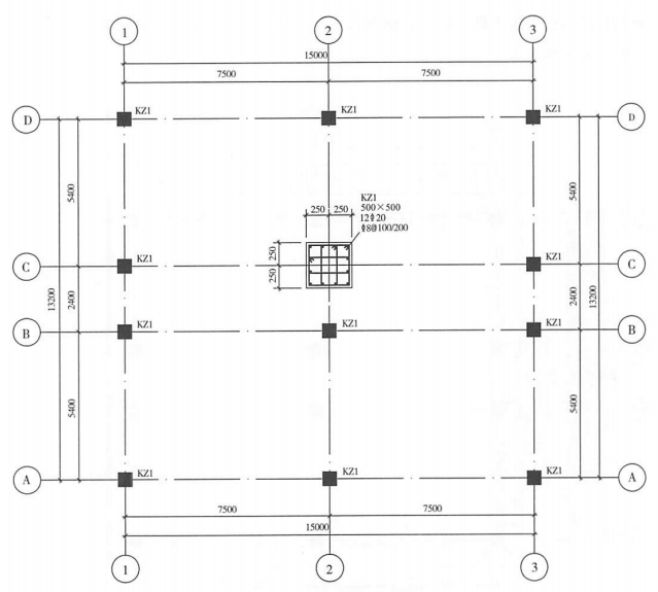
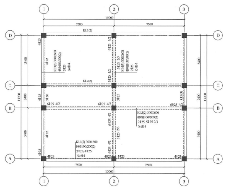
某钢筋混凝土框架结构单层建筑物,层高4.2m, 柱独立基础配筋图、 柱网布置及配筋图、梁结构图分别 如下图所示。柱顶的结构标高为4.20m, 外墙为M5.0 混合砂浆砌筑的240mm厚蒸压加气混凝土砌块墙,墙体底部砌筑在顶面标高为-0.20m 的钢筋混凝土基础梁上。梁、 板、柱的混凝土均采用C30 预拌混凝土。
图1柱基础剖面图
图2 柱网布置及配筋图
图3 梁结构图
题型:简答题主观题分值20分
1
请按《房屋建筑与装饰工程工程量计算标准》(2024)计算框架柱清单工程量。
正确答案:(购买后获取答案)
题型:简答题主观题分值20分
2
请按《房屋建筑与装饰工程工程量计算标准》(2024)计算框架梁清单工程量。
正确答案:(购买后获取答案)
©软件著作权归作者所有。本站所有软件均来源于网络,仅供学习使用,请支持正版!
转载请注明出处: 形易网 » 江苏开放大学房屋建筑与装饰工程计量与计价060624形成性考核作业三

发表评论 取消回复