江苏开放大学电工电子技术050082第1次作业
文档介绍
注意:因为学习平台题目是随机,选择题选项也是随机,一定注意答案对应的选项,同学们在本页按“Ctrl+F”快捷搜索题目中“关键字”就可以快速定位题目!!!
同专业其他作业点击右侧标签查看
试题列表
单选题
题型:单选题客观题分值2分难度:简单得分:2
1
三相总视在功率等于总有功功率和总无功功率之和。
A
错误
B
正确
正确答案:A
题型:单选题客观题分值2分难度:简单得分:2
2
某三相电源绕组连成Y时线电压为380V,若将它改接成Δ形,线电压为( )。
A
660V
B
380V
C
220V
正确答案:C
题型:单选题客观题分值2分难度:简单得分:2
3
两个电路等效,即( )相同。
A
外部
B
内部
C
内部和外部
正确答案:A
题型:单选题客观题分值2分难度:简单得分:2
4
网孔都是回路,而回路则不一定是网孔。
A
错误
B
正确
正确答案:B
题型:单选题客观题分值2分难度:一般得分:2
5
电阻元件上消耗( )。
A
有功功率和无功功率
B
无功功率
C
有功功率
正确答案:C
题型:单选题客观题分值2分难度:中等得分:2
6
理想电压源和理想电流源间( )。
A
有等效变换关系
B
没有等效变换关系
C
有条件下的等效关系
正确答案:B
题型:单选题客观题分值2分难度:简单得分:2
7
叠加定理只适用于( )。
A
线性电路
B
交流电路
C
直流电路
正确答案:A
题型:单选题客观题分值2分难度:简单得分:2
8
从电压、电流瞬时值关系式来看,电感元件属于动态元件。
A
错误
B
正确
正确答案:B
题型:单选题客观题分值2分难度:简单得分:2
9
视在功率在数值上等于电路中有功功率和无功功率之和。
A
错误
B
正确
正确答案:A
题型:单选题客观题分值2分难度:简单得分:2
10
电路分析中一个电流得负值,说明它小于零。
A
错误
B
正确
正确答案:A
题型:单选题客观题分值2分难度:一般得分:2
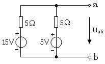
11
图所示电路中,电压Uab的数值是( )。
A
2V
B
20V
C
10V
D
0V
正确答案:C
题型:单选题客观题分值2分难度:简单得分:2
12
提高功率因数,可使负载中的电流减小,因此电源利用率提高。
A
正确
B
错误
正确答案:B
题型:单选题客观题分值2分难度:简单得分:2
13
在RL串联电路中,UR=16V,UL=12V,则总电压为( )
A
20V
B
4V
C
28V
D
2V
正确答案:A
题型:单选题客观题分值2分难度:简单得分:2
14
有“220V、100W”“220V、25W”白炽灯两盏,串联后接入 220V 交流电源,其亮度情况是( )
A
25W 灯泡最亮
B
两只灯泡一样亮
C
100W 灯泡最亮
正确答案:A
填空题
题型:填空题客观题答案不允许乱序分值4分难度:一般得分:4
1
用电流表测量电流时,应把电流表 在被测电路中;用电压表测量电压时,应把电压表与被测电路 。(请在“串联,混联,并联”中选词填空)
第1空分值:2分
第2空分值:2分
正确答案:串联;并联
题型:填空题客观题答案允许乱序分值6分难度:一般得分:6
2
电路的三种工作状态就是 、 、 。(请在“通路,截止,饱和,断路,短路,放大”中选词填空)
第1空分值:2分
第2空分值:2分
第3空分值:2分
正确答案:通路;断路;短路
题型:填空题客观题答案不允许乱序分值4分难度:简单得分:0
3
电阻元件在电路中是 能元件,电容元件就是 能元件(请在“光,耗,储,电,磁,热”中选词填空)
第1空分值:2分
第2空分值:2分
正确答案:耗;储
题型:填空题客观题答案不允许乱序分值4分难度:一般得分:4
4
两个 频率 正弦量之间的相位之差称为相位差, 频率的正弦量之间不存在相位差的概念。(请在“反相,相同,不同,同相,最大,最小”中选词填空)
第1空分值:2分
第2空分值:2分
正确答案:相同;不同
题型:填空题客观题答案不允许乱序分值6分难度:简单得分:2
5
有三个 6 欧姆的电阻,若把它们串联,等效电阻就是 欧姆;若把它们并联,等效电阻 欧姆;若两个并联后再与第三个串联,等效电阻就是 欧姆。
第1空分值:2分
第2空分值:2分
第3空分值:2分
正确答案:18;2;9
题型:填空题客观题答案不允许乱序分值10分难度:简单得分:10
6
电阻元件上的电压、电流在相位上是 关系;电感元件上的电压、电流相位存在 关系,且电压 电流;电容元件上的电压、电流相位存在 关系,且电压 电流。(请在“正交,同相,反相,超前,滞后,超前45度”中选词填空)
第1空分值:2分
第2空分值:2分
第3空分值:2分
第4空分值:2分
第5空分值:2分
正确答案:同相;正交;超前;正交;滞后
题型:填空题客观题答案不允许乱序分值4分难度:简单得分:1
7
1、电源和负载的本质区别是:电源是把 能量转换成 能的设备,负载是把 能转换成 能量的设备。(请在“其它形式,风,水,电,内,外,机械,光,化学,热”中选词填空)
第1空分值:1分
第2空分值:1分
第3空分值:1分
第4空分值:1分
正确答案:其它形式;电;电;其它形式
题型:填空题客观题答案不允许乱序分值4分难度:一般得分:4
8
电路中任意一个闭合路径称为 ;三条或三条以上支路的交点称为 。(请在“回路,支路,开路,节点,交点,接点”中选词填空)
第1空分值:2分
第2空分值:2分
正确答案:回路;节点
题型:填空题客观题答案不允许乱序分值6分难度:中等得分:6
9
反映正弦交流电振荡幅度的量是它的 ;反映正弦量随时间变化快慢程度的量是它的 ;确定正弦量计时始位置的是它的 。(请在“平均值,极值,最大值,频率,相位,余弦,初相,角度”中选词填空)
第1空分值:2分
第2空分值:2分
第3空分值:2分
正确答案:最大值;频率;初相
题型:填空题客观题答案不允许乱序分值4分难度:一般得分:4
10
在直流电路中,电感可以视作 ,电容可以视作 。(请在“断路,短路,感路,容路,磁路”中选词填空)
第1空分值:2分
第2空分值:2分
正确答案:短路;断路
简答题
题型:简答题主观题分值7分难度:简单得分:7
1
叠加定理的内容及适用范围(判分标准:内容3分,适用范围4分)
正确答案:(购买后获取答案)
题型:简答题主观题分值6分难度:简单得分:6
2
基尔霍夫定律内容(电压定律3分,电流定律3分)
正确答案:(购买后获取答案)
题型:简答题主观题分值7分难度:较难得分:7
3
电路如图所示,用叠加定理求Ⅰ,并求R2电阻的功率。
已知:R1=2Ω、R2=8Ω。
正确答案:(购买后获取答案)
©软件著作权归作者所有。本站所有软件均来源于网络,仅供学习使用,请支持正版!
转载请注明出处: 形易网 » 江苏开放大学电工电子技术050082第1次作业

发表评论 取消回复