江苏开放大学电工电子技术050082课程大作业
文档介绍
注意:因为学习平台题目是随机,选择题选项也是随机,一定注意答案对应的选项,同学们在本页按“Ctrl+F”快捷搜索题目中“关键字”就可以快速定位题目!!!
同专业其他作业点击右侧标签查看
试题列表
单选题
题型:单选题客观题分值2分难度:中等得分:2
1
理想集成运放 ui=u+-u-=0,说明运放输入端 ( ) 。
A
相当于短路
B
断路
C
短路
正确答案:A
题型:单选题客观题分值2分难度:简单得分:2
2
电压互感器实际上是降压变压器,其原、副方匝数及导线截面情况是( )。
A
原方匝数少,导线截面小
B
原方匝数多,导线截面小
C
副方匝数少,导线截面小
D
副方匝数多,导线截面小
正确答案:B
题型:单选题客观题分值2分难度:简单得分:2
3
热继电器作电动机的保护时,适用于( )
A
重载起动间断工作时的过载保护
B
频繁起动时的过载保护
C
轻载起动连续工作时的过载保护
D
任何负载和工作制的过载保护
正确答案:D
题型:单选题客观题分值2分难度:简单得分:2
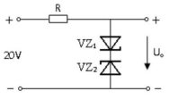
4
图所示电路中,硅稳压二极管 VZ1 的稳定电压为 6V,VZ2 的稳定电压为 8V,两管的正向压降均为 0.7V,则输出端的电压 Uo 为( )。
A
8V
B
14V
C
8.7V
正确答案:C
题型:单选题客观题分值2分难度:中等得分:2
5
图所示反馈放大器的反馈性质为( ) 。
A
电流并联负反馈
B
电流串联负反馈
C
电压并联负反馈
正确答案:C
题型:单选题客观题分值2分难度:中等得分:2
6
计数器是( )
A
定时器件
B
整形器件
C
时序逻辑器件
D
组合逻辑器件
正确答案:C
题型:单选题客观题分值2分难度:中等得分:2
7
描述磁场强弱和方向的基本物理量是( )
A
磁通
B
磁感应强度
C
磁场强度
D
磁导率
正确答案:B
题型:单选题客观题分值2分难度:中等得分:2
8
利用定时器555可以设计实现( )
A
寄存器
B
译码器
C
多谐振荡器
D
全加器
正确答案:C
题型:单选题客观题分值2分难度:中等得分:2
9
通常所说的交流电压 220V 是指它的 ( ) 。
A
最大值
B
有效值
C
平均值
正确答案:B
题型:单选题客观题分值2分难度:一般得分:2
10
整流的目的是( )
A
将正弦波变成方波
B
将交流变为直流
C
将高频信号变成低频信号
正确答案:B
题型:单选题客观题分值2分难度:中等得分:2
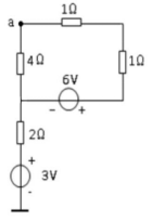
11
图所示电路中,a 点电位 Va 为
A
9V
B
7V
C
8V
正确答案:B
题型:单选题客观题分值2分难度:中等得分:2
12
图示电路中,两端电压 U 与电路中各参数的相互关系可表示为()。
A
U=-IR-UO
B
U=IR+UO
C
U=IR-UO
正确答案:B
题型:单选题客观题分值2分难度:中等得分:2
13
有一只用三极管构成的放大器,测得管子的三个极对地电压为
则管脚 2 为( )。
A
基极
B
发射极
C
集电极
正确答案:A
题型:单选题客观题分值2分难度:中等得分:2
14
二极管的正反向电阻都很小时,说明二极管( )。
A
击穿短路
B
内部断路
C
正常
正确答案:A
填空题
题型:填空题客观题答案不允许乱序分值6分难度:中等得分:6
1
相量分析法,就是把正弦交流电路用相量模型来表示,其中正弦量用 代替,R、L、C电路参数用对应的 表示,则直流电阻性电路中所有的公式定律均适用于对相量模型的分析,只是计算形式以 运算代替了代数运算。(选择合适的词填空:相量、非相量、复数、实数、虚数、阻抗、复阻抗)
第1空分值:2分
第2空分值:2分
第3空分值:2分
正确答案:相量;复阻抗;复数
题型:填空题客观题答案允许乱序分值2分难度:中等得分:2
2
通常我们把负载上的电压、电流方向称作 方向。(选择合适的词填空:关联、非关联)
第1空分值:2分
正确答案:关联
题型:填空题客观题答案不允许乱序分值4分难度:中等得分:4
3
同步RS触发器当cp=0,R=0、S=1时触发器状态 ,当cp=1,R=0、S=1时触发器状态为 。(选择合适的词填空:变、不变、0、1)
第1空分值:2分
第2空分值:2分
正确答案:不变;1
题型:填空题客观题答案不允许乱序分值6分难度:中等得分:6
4
仅当全部输入均为1时,输出才为0,否则输出为1,这种逻辑关系称为 ;仅当全部输入均为0时,输出才为1,否则输出为0,这种逻辑关系称为 逻辑;在双输入变量情况下,若两输入相异时输出为1,两输入相同时输出为0,则这种逻辑关系称为 逻辑。(选择合适的词填空:变、或非、与非、异或、不变、0、1)
第1空分值:2分
第2空分值:2分
第3空分值:2分
正确答案:与非;或非;异或
题型:填空题客观题答案不允许乱序分值4分难度:中等得分:4
5
三相鼠笼式异步电动机在起动过程中,转子电流频率逐渐变 ,转子电流逐渐变 。(选择合适的词填空:大、小)
第1空分值:2分
第2空分值:2分
正确答案:小;小
题型:填空题客观题答案允许乱序分值6分难度:中等得分:6
6
正弦交流电的三要素是指正弦量的 、 和 。(选择合适的词填空:最大值、最小值、平均值、有效值、周期、角频率、相位、初相位)
第1空分值:2分
第2空分值:2分
第3空分值:2分
正确答案:最大值;角频率;初相位
题型:填空题客观题答案不允许乱序分值4分难度:中等得分:4
7
三极管的电流放大作用是用较小的 电流控制较大的 电流。(选择合适的词填空:发射极、集电极、基极)
第1空分值:2分
第2空分值:2分
正确答案:基极;集电极
题型:填空题客观题答案允许乱序分值1分难度:中等得分:1
8
组成计数器的各个触发器的状态,能在时钟信号到达时同时翻转,它属于 计数器。(选择合适的词填空:同步、异步、或非、与非、异或)
第1空分值:1分
正确答案:同步
简答题
题型:简答题主观题分值9分难度:中等得分:9
1
分析题图所示电路,回答问题,并说明理由。
问题1、图示电路属于什么类型的电路?(3分)
问题2、能否正常放大交、直流信号?(3分) 为什么?(3分)
正确答案:(购买后获取答案)
题型:简答题主观题分值6分难度:困难得分:5
2
描述下图的逻辑功能:
正确答案:(购买后获取答案)
题型:简答题主观题分值10分难度:中等得分:10
3
什么是负反馈?集成运算放大器的线性应用电路为什么要引入负反馈技术?
正确答案:(购买后获取答案)
判断题
题型:判断题客观题分值2分难度:中等得分:2
1
串联型稳压电路与稳压管稳压电路相比,它的最主要优点是输出电流较大,输出
电压可调。
A正确
B错误
正确答案:A
题型:判断题客观题分值2分难度:中等得分:2
2
共射极放大电路的电源电压是通过集电极电阻 RC 加到集-射极之间的,集电极的静态工作点电压 UCEQ 等于电源电压 UCC 减去集电极电阻 RC 上的电压。 ( )
A正确
B错误
正确答案:A
题型:判断题客观题分值2分难度:中等得分:2
3
三相交流电路中,无论负载是对称还是不对称,三相电路总的有功功率都等于各相负载的有功功率之和。
A正确
B错误
正确答案:A
题型:判断题客观题分值2分难度:中等得分:2
4
绕线型感应电动机转子串电阻可以增大起动转矩;笼型感应电动机定子串电阻亦可以增大起动转矩。
A正确
B错误
正确答案:B
题型:判断题客观题分值2分难度:中等得分:2
5
当电路引入深度负反馈时,放大倍数 Af 可以认为与原放大倍数 A 无关,它取决于反馈回路的反馈系数 F 的大小。
A正确
B错误
正确答案:A
题型:判断题客观题分值2分难度:中等得分:2
6
叠加定理只能用来分析计算线性电路中的电压和电流,不能用来计算功率。( )
A正确
B错误
正确答案:A
题型:判断题客观题分值2分难度:中等得分:2
7
由于正弦量与相量存在对应关系,所以相量等于正弦量。 ( )
A正确
B错误
正确答案:B
©软件著作权归作者所有。本站所有软件均来源于网络,仅供学习使用,请支持正版!
转载请注明出处: 形易网 » 江苏开放大学电工电子技术050082课程大作业

发表评论 取消回复