江苏开放大学电工电子技术050082第3次作业
文档介绍
注意:因为学习平台题目是随机,选择题选项也是随机,一定注意答案对应的选项,同学们在本页按“Ctrl+F”快捷搜索题目中“关键字”就可以快速定位题目!!!
同专业其他作业点击右侧标签查看
试题列表
单选题
题型:单选题客观题分值2分难度:一般得分:2
1
二极管的正反向电阻都很小时,说明二极管( )。
A
内部断路
B
击穿短路
C
正常
正确答案:B
题型:单选题客观题分值2分难度:中等得分:2
2
直流负反馈是指 ( )
A
仅当输入直流信号时才有的负反馈
B
只存在于直接耦合放大电路中的负反馈
C
直流通路中的负反馈
正确答案:C
题型:单选题客观题分值2分难度:中等得分:2
3
为使集成运放工作在线性区,电路中应引入( )。
A
电流反馈
B
负反馈
C
电压反馈
D
正反馈
正确答案:B
题型:单选题客观题分值2分难度:一般得分:2
4
将二进制数(101011)2转换成十进制数( )
A
43
B
42
C
45
正确答案:A
题型:单选题客观题分值2分难度:中等得分:2
5
时序逻辑电路一般可以分两类,即( )
A
同步型和异步型
B
组合逻辑电路和时序逻辑电路
C
门电路和触发器
D
模拟电路和数字电路
正确答案:A
题型:单选题客观题分值2分难度:中等得分:2
6
数字电路内部电路器件一般处于( )状态。
A
截止
B
放大
C
开关
D
饱和
正确答案:C
题型:单选题客观题分值2分难度:中等得分:2
7
将下列十进制数(70)10转换成二进制数( )。
A
(1111001) 2
B
(1111110)2
C
(1111000) 2
D
(1000110)2
正确答案:D
题型:单选题客观题分值2分难度:中等得分:2
8
即要使放大电路具有稳定输出电流的作用,又要降低其输入电阻,应采用下列( )的反馈形式。
A
电流串联负反馈
B
电流并联负反馈
C
电压并联负反馈
D
电压串联负反馈
正确答案:B
题型:单选题客观题分值2分难度:中等得分:2
9
三极管的电流放大作用你认为正确的是哪个( )
A
IE> IC > IB
B
IC>IB
C
△IC > △IB
正确答案:C
题型:单选题客观题分值2分难度:较难得分:2
10
利用定时器555可以设计实现( )
A
寄存器
B
译码器
C
多谐振荡器
D
全加器
正确答案:C
题型:单选题客观题分值2分难度:较难得分:2
11
在桥式整流电路中接入电容滤波后,输出直流电压 ( )
A
保持不变
B
降低了
C
升高了
正确答案:C
题型:单选题客观题分值2分难度:困难得分:2
12
运算放大器的输入级采用差动放大电路的目的是( )
A
提高电压放大倍数
B
改善非线性失真
C
抑制零点漂移
D
稳定静态工作点
正确答案:C
题型:单选题客观题分值2分难度:中等得分:2
13
整流的目的是( )
A
将交流变为直流
B
将高频信号变成低频信号
C
将正弦波变成方波
正确答案:A
题型:单选题客观题分值2分难度:中等得分:2
14
74147是( )
A
时序逻辑器件
B
定时器件
C
组合逻辑器件
D
整形器件
正确答案:C
题型:单选题客观题分值2分难度:中等得分:2
15
射极输出器的输出电阻小,说明该电路( )。
A
减轻后级负荷
B
没有影响
C
带负载能力强
D
带负载能力差
正确答案:C
题型:单选题客观题分值2分难度:中等得分:2
16
计数器是( )
A
组合逻辑器件
B
时序逻辑器件
C
定时器件
D
整形器件
正确答案:B
题型:单选题客观题分值2分难度:中等得分:2
17
三极管放大电路中,直流通路主要用来确定电路的( )。
A
放大倍数
B
波形失真
C
静态工作点
D
输出电压
正确答案:C
题型:单选题客观题分值2分难度:困难得分:2
18
要实现UO=10Ui运算,应选用( )
A
反相运算放大器
B
同相运算放大器
C
减法运算电路
D
积分电路
正确答案:B
题型:单选题客观题分值2分难度:中等得分:2
19
稳压二极管是利用其工作在伏安特性的( )状态,电压变化极小的特性,使两端电压得以稳定。
A
反向击穿
B
反向截止
C
正向或反向
D
正向导通
正确答案:A
填空题
题型:填空题客观题答案不允许乱序分值4分难度:中等得分:4
1
同步RS触发器当cp=0,R=0、S=1时触发器状态 ,当cp=1,R=0、S=1时触发器状态为 。
第1空分值:2分
第2空分值:2分
正确答案:不变;1
题型:填空题客观题答案不允许乱序分值6分难度:简单得分:6
2
仅当全部输入均为1时,输出才为0,否则输出为1,这种逻辑关系称为 ;仅当全部输入均为0时,输出才为1,否则输出为0,这种逻辑关系称为 逻辑;在双输入变量情况下,若两输入相异时输出为1,两输入相同时输出为0,则这种逻辑关系称为 逻辑。
第1空分值:2分
第2空分值:2分
第3空分值:2分
正确答案:与非;或非;异或
题型:填空题客观题答案不允许乱序分值8分难度:中等得分:8
3
集成运算放大器一般有 、 、 、和 等组成。
第1空分值:2分
第2空分值:2分
第3空分值:2分
第4空分值:2分
正确答案:输入级;中间级;输出级;偏置电路
题型:填空题客观题答案不允许乱序分值4分难度:较难得分:4
4
时序逻辑电路的特点是其任意时刻的输出不仅取决于该时刻 的状态,而且还与 有关。
第1空分值:2分
第2空分值:2分
正确答案:输入逻辑变量;电路原来的状态
题型:填空题客观题答案不允许乱序分值8分难度:中等得分:8
5
将电网提供的交流电压转换为稳定的直流电压,一般需要 、 、 、 四个部分电路来实现。
第1空分值:2分
第2空分值:2分
第3空分值:2分
第4空分值:2分
正确答案:变压;整流;滤波;稳压
题型:填空题客观题答案允许乱序分值6分难度:中等得分:6
6
触发器按逻辑功能分类有 、 、 等。
第1空分值:2分
第2空分值:2分
第3空分值:2分
正确答案:RS 触发器;D触发器;JK触发器
判断题
题型:判断题客观题分值2分难度:中等得分:2
1
甲乙类功率放大电路较乙类功率放大电路,具有输出功率大、效率高和非线性失真小的特点。
A正确
B错误
正确答案:B
题型:判断题客观题分值2分难度:中等得分:2
2
由于耦合电容的电容量很大,它对输入交流信号相当于开路,对直流电源相当于短路,确保了三极管直流偏置不受信号源和负载的影响。
A正确
B错误
正确答案:B
题型:判断题客观题分值2分难度:中等得分:2
3
射极输出器既能放大电压,也能放大电流。
A正确
B错误
正确答案:B
题型:判断题客观题分值2分难度:中等得分:2
4
PN结反向偏置时,外加电压形成的外电场的方向和PN结内电场方向相反,相当于削弱了内电场。
A正确
B错误
正确答案:B
简答题
题型:简答题主观题分值8分难度:较难得分:8
1
比较共射极放大电路与共集电极放大电路的主要特点,包括电压放大倍数、输入输出电阻、相位关系及典型应用场景。
正确答案:(购买后获取答案)
综合题
题型:综合题客观题分值10分难度:困难得分:10
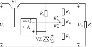
1
图示串联型直流稳压电路中,已知:稳压管的稳压值UZ=6V,电阻R1=100Ω,R2=200Ω,RW=300Ω,调整管饱和压降为2V。
题型:单选题客观题分值5分
1
电路输出电压最大值的计算式是( );
A
B
C
D
正确答案:B
题型:单选题客观题分值5分
2
稳压电路输入电压UI应大于( )。
A
11V
B
20V
C
9.2V
D
38V
正确答案:B
©软件著作权归作者所有。本站所有软件均来源于网络,仅供学习使用,请支持正版!
转载请注明出处: 形易网 » 江苏开放大学电工电子技术050082第3次作业

发表评论 取消回复